Fuente de Alimentación para PC
Introducción a las fuentes de alimentación para PC
La fuente de alimentación es como el corazón de un ordenador, proporcionando energía a cada componente del hardware. Con el continuo avance tecnológico, el consumo total de energía de las unidades centrales de procesamiento (CPU) de los PC ha disminuido de forma constante. Sin embargo, el rápido aumento del consumo energético de las GPU ha planteado nuevos desafíos para las fuentes de alimentación. Al mismo tiempo, en el mercado de bricolaje (DIY) y de fabricantes OEM, la demanda de fuentes más compactas, eficientes y rentables sigue siendo indispensable.

La serie Super-Junction Gen.3 presenta una mayor velocidad de conmutación, menor pérdida de conducción y una carga de compuerta (Qg) extremadamente baja, lo que reduce las pérdidas de energía del dispositivo y mejora la eficiencia del sistema. Gracias a las tecnologías innovadoras independientes desarrolladas por Baoquan Zhijie, se han optimizado las características de conmutación y el comportamiento EMI del dispositivo, lo que garantiza un funcionamiento más estable. Además, los distintos formatos de encapsulado disponibles permiten adaptarse a diferentes diseños y configuraciones de fuentes de alimentación.

Por qué elegir Baoquan Zhijie
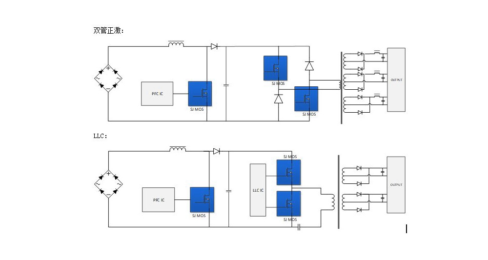
Lo que ofrecemos: MOSFETs, MOSFETs SiC, módulos IGBT y módulos de potencia (no proporcionamos sistemas PSU completos).
Ventajas de los dispositivos: Bajo RDS(on), conmutación rápida, baja Qg, rendimiento EMI optimizado y amplio rango térmico de operación.
Opciones de encapsulado: TO-220 / TO-247, DFN / DPAK y módulos de alta potencia para diseños compactos de PSU.
Recomendado para esta aplicación: MOSFETs Super-Junction de 600–700 V para la etapa primaria de conversión y MOSFETs de baja tensión para rectificación síncrona.



