Módulos IPM para Aplicaciones de Ventiladores y Bombas Industriales
Módulos IPM en Aplicaciones de Ventiladores y Bombas Industriales
Los productos IPM (Módulo de Potencia Inteligente) se utilizan ampliamente en campos industriales como ventiladores industriales y bombas de ahorro energético de diferentes niveles de potencia.
Los módulos IPM son componentes centrales indispensables para la realización de sistemas de automatización industrial. Con la continua expansión de la automatización industrial, la demanda del mercado de módulos IPM sigue creciendo de manera constante, mostrando un excelente potencial de desarrollo a largo plazo.
Los equipos eléctricos de grado industrial imponen altos requisitos a los dispositivos de potencia. En la mayoría de los casos, se adoptan módulos IPM de alta potencia con excelente rendimiento de disipación térmica y múltiples funciones de protección para garantizar la seguridad operativa de los equipos industriales y de los sistemas eléctricos.
Para aplicaciones industriales, Baoquan Zhijie desarrolla productos IPM con diferentes formatos de encapsulado y tecnologías avanzadas.
Estos módulos IPM presentan las siguientes características:
Alto nivel de integración
Alta densidad de potencia
Excelente rendimiento de disipación térmica
Múltiples funciones de protección integradas
Mayor confiabilidad del sistema y capacidad antiinterferencias
Estas ventajas permiten que los módulos IPM sean ampliamente reconocidos y confiables en el mercado industrial.
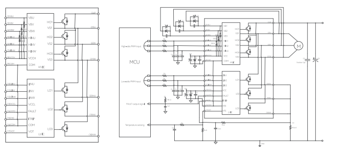
Ventiladores y Bombas Industriales – Diagrama del Sistema de Aplicación

Ventiladores y Bombas Industriales – Topología Típica del Circuito de Aplicación




